(19) 3324-0079Fale Conosco

0item(s)

Nenhum produto para cotar.

Product was successfully added to your shopping cart.

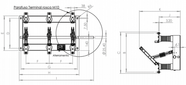
Seccionadora Tripolar Abertura Sem Carga SA 15KV 400A

Seja o primeiro a avaliar este produto

Descrição Rápida

ACESSÓRIOS



Comando Motorizado 110 ou 220V.


Punho de manobra com ou sem bloqueio Kirk (mov. sobe/desce).


Suporte para o punho de manobra (aplicação alvenaria).


Punho de manobra rotativo com ou sem kirk, direto no eixo do seccionador ou por meio de engrenagens (mov. horário/anti-horário).


Contatos auxiliares de sinalização Aberto-Fechada até 4NA+4NF.


Contatos auxiliares de impulso até 2NA+2NF.


Tubo de interligação eixo da chave com o comando até 2,00m com ou sem isolação em fibra de vidro.


Prolongador de eixo com mancal (1,00m ou 2,00m).


Aterramento na própria estrutura da chave com segundo punho e eixos intertravados ou frontal.


Solenoide de travamento elétrico no eixo da chave 110 ou 220 (Vca ou Vcc).










R$6,50

Detalhes

Marca: SAREL

A chave seccionadora modelo SA é fabricada de acordo com a norma NBR IEC 62271-102, ação simultânea nas três fases, para uso abrigado, pode ser instalada em cabines de alvenaria ou painéis metálicos.

Os contatos principais móveis são do tipo DUPLA-FACA, com contatos lineares e dispostos de forma que possam suportar os esforços resultantes das solicitações mecânicas e elétricas, as partes condutoras são de cobre eletrolítico tratadas galvanicamente com estanho ou prata.

A estrutura suporte onde são fixados os isoladores, é fabricada em chapa de aço laminada dobrada, soldada formando uma estrutura monobloco e tratada com pintura eletrostática a pó a base de epóxi.

Os isoladores são do tipo suporte em resina epóxi ou porcelana de alta resistência mecânica e excelente rigidez dielétrica.

O acionamento pode ser por meio manual através de punho de manobra, vara de manobra ou motorizado.

As chaves seccionadoras são fabricadas para as tensões de 7,2kV a 36,2kV, correntes nominais de 200 a 1600A e curto circuito simétrico até 40kA.

Para mais informações consulte nossa central de vendas pelo e -mail: vendas@kvarengenharia.com.br

Tags do Produto

Use espaços para separar as tags. E aspas simples (') para frases.

  1. Seja o primeiro a avaliar este produto

Queremos saber sua opinião

Apenas usuários registrados podem comentar. Por favor, identifique-se ou cadastre-se